2015-08-01 01:02:15內燃鋼軌鉆孔機安全操作規程
內燃鋼軌鉆孔機安全操作規程 1 內燃鋼軌鉆孔機安全操作規程 1.1&···
了解詳情
內燃鋼軌鉆孔機安全操作規程 1 內燃鋼軌鉆孔機安全操作規程 1.1&···
了解詳情
鋼軌鉆孔機安全操作規程 1 適用范圍 本規程規定了使用鋼軌鉆孔機進行鋼軌鉆孔作業應遵···
了解詳情
軌道焊接通用工藝 1、適用范圍: 本通用工藝適用于P38~P60 (GB183-63 ···
了解詳情
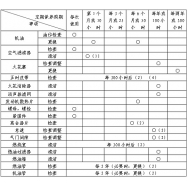
軌道焊接過程檢查表 工程編號 &nb···
了解詳情
軌道踏面堆焊和加工工藝 本工藝主要用于:① 起重機前、后大梁鉸點處的連接短軌,若有軌道踏面耐磨···
了解詳情
電動鋼軌鉆孔機的優缺點分析 優點:電動鋼軌鉆孔機動力源來白發電機,同鋸軌機配套使用,采用了非標電機···
了解詳情